TQ-L25平行梁稱重傳感器
編號:10298
查看:
發布:2020-04-08
產品特點:TQ-L25平行梁稱重傳感器為單點承載結構,出廠時已通過四角調整保證其在規定的受載平面內各點輸出一致。產品結構形式簡單,使用方便。 產品用途:TQ-L25平行梁稱重傳感器適用于制作臺秤等
編號:10298
查看:
發布:2020-04-08
產品特點:TQ-L25平行梁稱重傳感器為單點承載結構,出廠時已通過四角調整保證其在規定的受載平面內各點輸出一致。產品結構形式簡單,使用方便。 產品用途:TQ-L25平行梁稱重傳感器適用于制作臺秤等
產品特點:TQ-L25平行梁稱重傳感器為單點承載結構,出廠時已通過四角調整保證其在規定的受載平面內各點輸出一致。產品結構形式簡單,使用方便。
產品用途:TQ-L25平行梁稱重傳感器適用于制作臺秤等
量程:100kg、200kg、300kg、500kg、1000kg
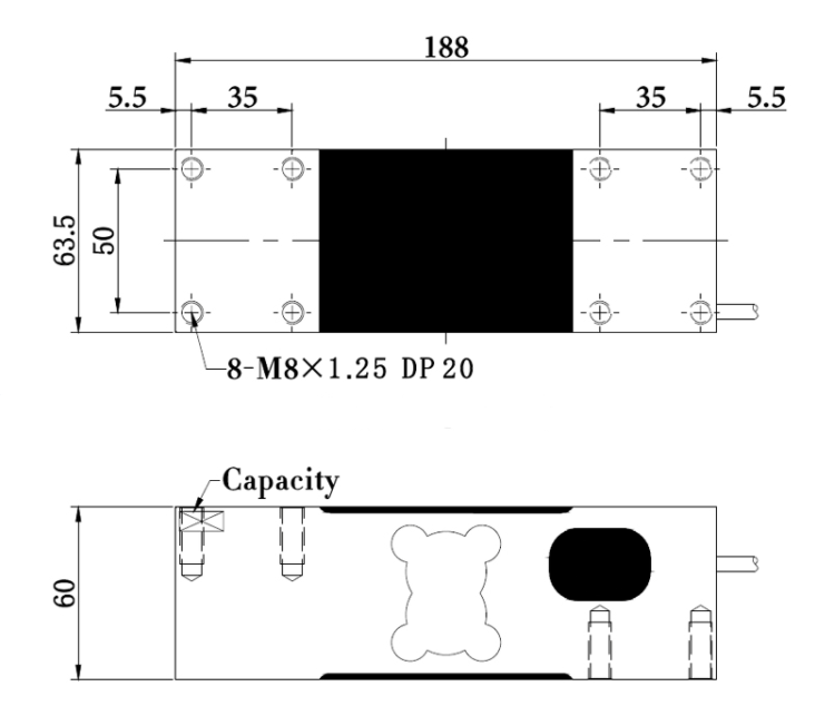
技術參數及外形尺寸:
序號 | 產品技術參數 | |
1 | 額定載荷 | 100/200/300/500/1000(kg) |
2 | 額定輸出 | 2.0mV/V±5% |
3 | 非線性 | ±0.02%F.S |
4 | 重復性 | ±0.02%F.S |
5 | 滯后 | ±0.02%F.S |
6 | 蠕變/30min | ±0.02%F.S |
7 | 零點溫度影響 | 0.02%F.S/10℃ |
8 | 輸出溫度影響 | 0.03%F.S/10℃ |
9 | 輸入阻抗 | 410±15Ω |
10 | 輸出阻抗 | 350±5Ω |
11 | 絕緣阻抗 | ≥5000MΩ |
12 | 工作溫度范圍 | -20~60℃ |
13 | 安全過載 | 150%F.S |
14 | 材質 | 鋁合金 |
15 | 推薦工作電壓 | 5-12VDC |
16 | 接線方式 | 紅……E+(輸入正) 黑……E-(輸入負) 綠……S+(輸出正) 白……S-(輸出負) |

圖片與實物略有差異,以實物為準 / 濟南泰欽保留隨時更改、撤消產品型號、規格的權利,恕不另行通知