TQ-L6G平行梁稱重傳感器
編號:10142
查看:
發布:2020-08-14
TQ-L6G平行梁稱重傳感器采用金屬外殼防護,且通過四角調整保證其在規定的受載平面內各點輸出一致。產品結構形式簡單,使用方便。 TQ-L6G平行梁稱重傳感器適用于包裝秤、電子皮帶秤及配料秤等。
編號:10142
查看:
發布:2020-08-14
TQ-L6G平行梁稱重傳感器采用金屬外殼防護,且通過四角調整保證其在規定的受載平面內各點輸出一致。產品結構形式簡單,使用方便。 TQ-L6G平行梁稱重傳感器適用于包裝秤、電子皮帶秤及配料秤等。
TQ-L6G平行梁稱重傳感器(合金鋼)
產品特點:TQ-L6G鋼制平行梁稱重傳感器采用金屬外殼防護,且通過四角調整保證其在規定的受載平面內各點輸出一致。產品結構形式簡單,使用方便。
產品用途:TQ-L6G平行梁稱重傳感器適用于包裝秤、電子皮帶秤及配料秤等。
量程: 500N(50kg)、1 kN(100kg)、1.5 kN(150kg)、2 kN(200kg)、3 kN(300kg)、5 kN(500kg)、7 kN(700kg)、10 kN(1000kg)
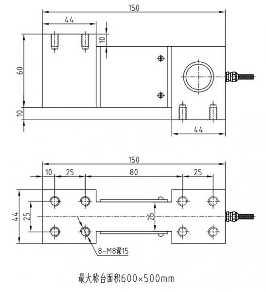
技術參數及外形尺寸:
序號 | 產品技術參數 | |
1 | 額定載荷 | 50-1000kg |
2 | 綜合精度 | 0.02-0.05%F.S |
3 | 額定輸出 | 2.0mV/V |
4 | 蠕變 | ±0.02%F.S/30min |
5 | 零點輸出 | ±1%F.S |
6 | 零點溫度影響 | ±0.02%F.S/10℃ |
7 | 輸出溫度影響 | ±0.02%F.S/10℃ |
8 | 輸入阻抗 | 380±10Ω |
9 | 輸出阻抗 | 350±3Ω |
10 | 絕緣阻抗 | >5000MΩ |
11 | 工作溫度范圍 | -20~65℃ |
12 | 安全過載 | 150%F.S |
13 | 推薦工作電壓 | 10DC |
14 | 接線方式 | 紅……E+(輸入正) 黑……E-(輸入負) 綠……S+(輸出正) 白……S-(輸出負) |

圖片與實物略有差異,以實物為準 / 濟南泰欽保留隨時更改、撤消產品型號、規格的權利,恕不另行通知