TQ-N2A扭矩傳感器
精度高,性能穩定,安裝方便;適用于靜態、非連續旋轉的扭矩力值的測量與控制。
1Nm、2Nm、5Nm、
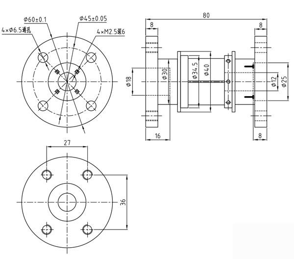
10Nm、20Nm技術參數及外形尺寸:
序號 | 產品技術參數 | |
1 | 額定載荷 | 1Nm-20Nm |
2 | 綜合精度 | 0.2%F.S |
3 | 靈敏度 | 0.7-2.0mV/V |
4 | 蠕變/30分鐘 | ±0.2%F.S/30min |
5 | 零點輸出 | ±1%F.S |
6 | 零點溫度影響 | ±0.2%F.S/10℃ |
7 | 輸出溫度影響 | ±0.2%F.S/10℃ |
8 | 輸入阻抗 | 700±6Ω |
9 | 輸出阻抗 | 700±1Ω |
10 | 絕緣阻抗 | >5000MΩ |
11 | 工作溫度 | -10~65℃ |
12 | 安全過載 | 120%F.S |
13 | 激勵電壓 | 10VDC |
14 | 材質 | 鋁合金 |
15 | 接線方式 | 紅……E+(輸入正) 黑……E-(輸入負) 綠……S+(輸出正) 白……S-(輸出負) |

圖片與實物略有差異,以實物為準 / 濟南泰欽保留隨時更改、撤消產品型號、規格的權利,恕不另行通知