TQ-1R輪輻式稱重傳感器
編號:10275
查看:
發布:2019-01-30
TQ-1R單向輪輻式稱重傳感器采用優質合金鋼材質,高精度,高穩定性,低外形,安裝簡便、快速,表層鍍鎳防腐處理。 TQ-1R單向輪輻式稱重傳感器適用于試驗機,汽車衡和大型料斗秤等。
編號:10275
查看:
發布:2019-01-30
TQ-1R單向輪輻式稱重傳感器采用優質合金鋼材質,高精度,高穩定性,低外形,安裝簡便、快速,表層鍍鎳防腐處理。 TQ-1R單向輪輻式稱重傳感器適用于試驗機,汽車衡和大型料斗秤等。
產品特點:TQ-1R單向輪輻式稱重傳感器采用優質合金鋼材質,高精度,高穩定性,低外形,安裝簡便、快速,表層鍍鎳防腐處理。
產品用途:TQ-1R單向輪輻式稱重傳感器適用于試驗機,汽車衡和大型料斗秤等。
量程: 20 kN(2t)、 30 kN(3t)、200 kN(20t)、300 kN(30t)
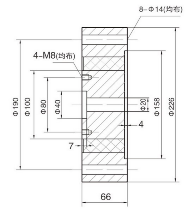
技術參數及外形尺寸:
序號 產品技術參數 1 額定載荷 2t,3t,20t,30t 2 綜合精度 0.1%F.S 3 靈敏度 1.5mV/V 4 非線性 ≤0.1%F.S 5 滯后 ≤0.1%F.S 6 重復性 ≤0.05%F.S 7 輸入阻抗 380/760Ω 8 輸出阻抗 350/700Ω 9 絕緣阻抗 ≥2000MΩ 10 靈敏度系數溫度影響 <0.05%F.S/10℃ 11 零點溫度影響 <0.05%F.S/10℃ 12 推薦激勵電壓 10V(DC) 13 激勵電壓范圍 6-12V(DC) 14 適用溫度范圍 -30~70℃ 15 安全過載 120%F.S 16 接線方式 紅……E+(輸入正) 黑……E-(輸入負) 綠……S+(輸出正) 白……S-(輸出負)
圖片與實物略有差異,以實物為準 / 濟南泰欽保留隨時更改、撤消產品型號、規格的權利,恕不另行通知