TQ-1T內螺紋輪輻式稱重傳感器
編號:10272
查看:
發布:2019-01-30
TQ-1T內螺紋輪輻式稱重傳感器采用低截面的緊湊設計,合金鋼表層鍍鎳防腐處理,具有高輸出,高穩定性,低外形,偏心加載補償等特點。 TQ-1T內螺紋輪輻式稱重傳感器皮帶秤、汽車衡、料斗秤及材料力學試驗機等測力設備等。
編號:10272
查看:
發布:2019-01-30
TQ-1T內螺紋輪輻式稱重傳感器采用低截面的緊湊設計,合金鋼表層鍍鎳防腐處理,具有高輸出,高穩定性,低外形,偏心加載補償等特點。 TQ-1T內螺紋輪輻式稱重傳感器皮帶秤、汽車衡、料斗秤及材料力學試驗機等測力設備等。
產品名稱:TQ-1T內螺紋輪輻式稱重傳感器
產品特點:TQ-1T內螺紋輪輻式稱重傳感器采用低截面的緊湊設計,合金鋼表層鍍鎳防腐處理,具有高輸出,高穩定性,低外形,偏心加載補償等特點。
產品用途:TQ-1T內螺紋輪輻式稱重傳感器皮帶秤、汽車衡、料斗秤及材料力學試驗機等測力設備等。
量程:10 kN(1t)、20 kN(2t)、50 kN(5t)、100 kN(10t)
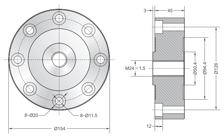
TQ-1T-1t/2t 技術參數及外形尺寸:
序號 產品技術參數 1 額定載荷 1t,2t 2 靈敏度 2.0mV/V±0.25% 3 蠕變 ±0.03%F.S 4 非線性 ±0.1%F.S 5 滯后 ±0.1%F.S 6 重復性 ±0.03%F.S 7 輸入阻抗 380±20Ω 8 輸出阻抗 350±5Ω 9 絕緣阻抗 ≥5000MΩ 10 靈敏度系數溫度影響 ≦0.002%F.S/℃ 11 零點溫度影響 ≦0.002%F.S/℃ 12 推薦激勵電壓 10V(DC) 13 適用溫度范圍 -10~70℃ 14 溫度補償范圍 -10~40℃ 15 安全過載 150%F.S 16 接線方式 紅……E+(輸入正) 黑……E-(輸入負) 綠……S+(輸出正) 白……S-(輸出負)
TQ-1T-5t/10t 技術參數及外形尺寸:
序號 產品技術參數 1 額定載荷 5t,10t 2 靈敏度 3.0mV/V±0.25% 3 蠕變 ±0.03%F.S 4 非線性 ±0.03%F.S 5 滯后 ±0.03%F.S 6 重復性 ±0.03%F.S 7 輸入阻抗 387±20Ω 8 輸出阻抗 350±5Ω 9 絕緣阻抗 ≥5000MΩ 10 靈敏度系數溫度影響 ≦0.002%F.S/℃ 11 零點溫度影響 ≦0.002%F.S/℃ 12 推薦激勵電壓 10V(DC) 13 適用溫度范圍 -10~70℃ 14 溫度補償范圍 -10~40℃ 15 安全過載 150%F.S 16 接線方式 紅……E+(輸入正) 黑……E-(輸入負) 綠……S+(輸出正) 白……S-(輸出負)

圖片與實物略有差異,以實物為準 / 濟南泰欽保留隨時更改、撤消產品型號、規格的權利,恕不另行通知