TQ-1MFT輪輻式測力傳感器
編號:10268
查看:
發布:2021-01-20
TQ-1MFT輪輻式測力傳感器采用優質合金鋼材質,表面鍍鎳防腐處理。具有高精度,高穩定性,低外形,安裝簡便、快速等特點。 TQ-1MFT適用于試驗機、平臺秤、料斗和油罐稱重
編號:10268
查看:
發布:2021-01-20
TQ-1MFT輪輻式測力傳感器采用優質合金鋼材質,表面鍍鎳防腐處理。具有高精度,高穩定性,低外形,安裝簡便、快速等特點。 TQ-1MFT適用于試驗機、平臺秤、料斗和油罐稱重
產品名稱:TQ-1MFT輪輻式測力傳感器
主要特點:TQ-1MFT輪輻式測力傳感器采用優質合金鋼材質,表面鍍鎳防腐處理。具有高精度,高穩定性,低外形,安裝簡便、快速等特點。
產品用途:TQ-1MFT適用于試驗機、平臺秤、料斗和油罐稱重
量程:2000kN(200t)
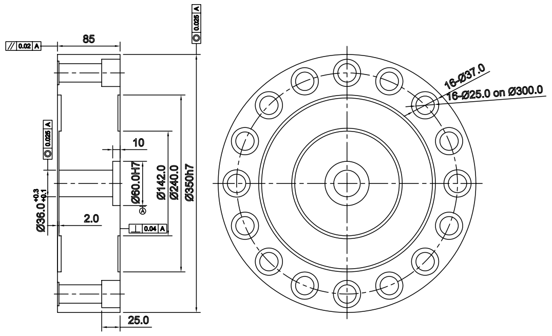
技術參數及外形尺寸:
序號 | 產品技術參數 | |
1 | 額定載荷 | 200t |
2 | 靈敏度 | 2.0mV/V±5% |
3 | 蠕變 | ±0.03%F.S/30min |
4 | 零點輸出 | ±3%F.S |
5 | 滯后 | 0.10%F.S |
6 | 非線性 | 0.02%F.S |
7 | 零點溫度影響 | 0.15%F.S/10℃ |
8 | 輸出溫度影響 | 0.026%F.S/10℃ |
9 | 輸入阻抗 | 410±10Ω |
10 | 輸出阻抗 | 350±3Ω |
11 | 絕緣阻抗 | ≥5000MΩ |
12 | 補償溫度范圍 | -10~40℃ |
13 | 適用溫度范圍 | -20~60℃ |
14 | 安全過載 | 150%F.S |
15 | 激勵電壓 | 10V(DC/AC) |
16 | 接線方式 | 紅……E+(輸入正) 黑……E-(輸入負) 綠……S+(輸出正) 白……S-(輸出負) |

圖片與實物略有差異,以實物為準 / 濟南泰欽保留隨時更改、撤消產品型號、規格的權利,恕不另行通知