TQ-1FT輪輻式測力傳感器
編號:10111
查看:
發布:2021-08-05
TQ-1FT內螺紋輪輻式測力傳感器采用低截面的緊湊設計,合金鋼無電解鍍鎳處理,具有高輸出小變形,偏心加載補償等特點。 TQ-1FT內螺紋輪輻式測力傳感器適用于試驗機等力量測量。
編號:10111
查看:
發布:2021-08-05
TQ-1FT內螺紋輪輻式測力傳感器采用低截面的緊湊設計,合金鋼無電解鍍鎳處理,具有高輸出小變形,偏心加載補償等特點。 TQ-1FT內螺紋輪輻式測力傳感器適用于試驗機等力量測量。
序號 | 產品技術參數 | |
1 | 額定載荷 | 60-100t |
2 | 綜合精度 | 0.05;0.1%F.S |
3 | 靈敏度 | 3.0mV/V |
4 | 零點輸出 | ≤0.1%F.S |
5 | 輸入阻抗 | 770±20Ω |
6 | 輸出阻抗 | 701±3Ω |
7 | 絕緣阻抗 | ≥5000MΩ |
8 | 補償溫度范圍 | -10~40℃ |
9 | 適用溫度范圍 | -30~70℃ |
10 | 安全過載 | 120%F.S |
11 | 極限載荷 | 200%F.S |
12 | 材質 | 合金鋼 |
13 | 激勵電壓 | 10V(DC) |
14 | 密封等級 | IP67 |
15 | 電纜 | 6m/10m |
16 | 接線方式 | 紅……E+(電源正) 黑……E-(電源負) 綠……S+(信號正) 白……S-(信號負) |

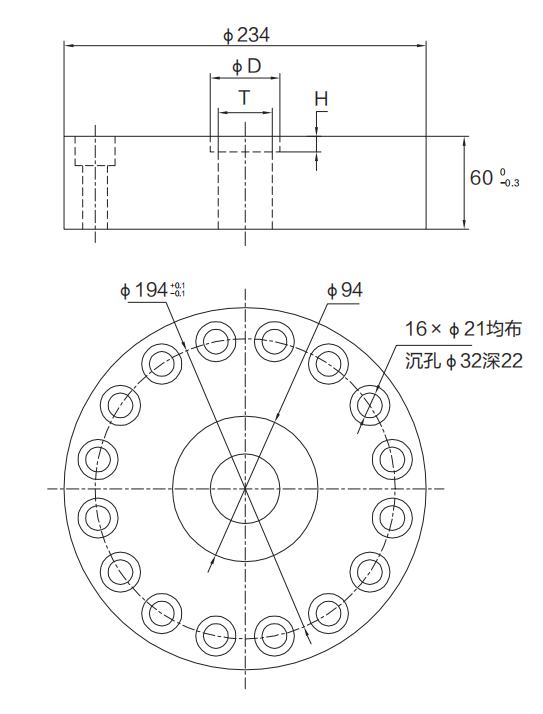
型號 | 量程(kN) | 量程(t) | D | T | H |
TQ-1FT1 | 600,1000 | 60,100 | --- | M64×3 | --- |
TQ-1FT2 | 600,1000 | 60,100 | --- | Φ35 | --- |
TQ-1FT3 | 600,1000 | 60,100 | 45 | Φ35 | 10 |
圖片與實物略有差異,以實物為準 / 濟南泰欽保留隨時更改、撤消產品型號、規格的權利,恕不另行通知