TQ-1D小輪輻式測力傳感器
編號:10108
查看:
發布:2025-05-09
TQ-1D小輪輻式測力傳感器適用于皮帶秤,料斗秤,拉力試驗機等設備的力值測量。
編號:10108
查看:
發布:2025-05-09
TQ-1D小輪輻式測力傳感器適用于皮帶秤,料斗秤,拉力試驗機等設備的力值測量。
產品特點:TQ-1D小輪輻式測力傳感器外形小巧,精度高,抗偏載能力強。
產品用途:TQ-1D小輪輻式測力傳感器適用于皮帶秤,料斗秤,拉力試驗機等設備的力值測量。
量程:1 kN(100kg)、2 kN(200kg)、5 kN(500kg)、10 kN(1t)、20 kN(2t)
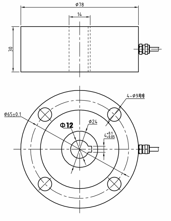
技術參數及外形尺寸:
序號 | 產品技術參數 | |
1 | 額定載荷 | 100kg-2t |
2 | 綜合精度 | ≤0.1%F.S |
3 | 靈敏度 | 2.0mV/V±0.25% |
4 | 輸入阻抗 | 387±20Ω |
5 | 輸出阻抗 | 350±5Ω |
6 | 絕緣阻抗 | ≥5000MΩ |
7 | 工作溫度范圍 | -10~70℃ |
8 | 安全過載 | 150%F.S |
9 | 材質 | 合金鋼 |
10 | 電纜 | 5m |
11 | 接線方式 | 紅……E+(電源正) 黑……E-(電源負) 綠……S+(信號正) 白……S-(信號負) |

圖片與實物略有差異,以實物為準 / 濟南泰欽保留隨時更改、撤消產品型號、規格的權利,恕不另行通知