產品名稱:CH-LP1A 平行梁傳感器
產品特點:CH-LP1A鋁制平行梁稱重傳感器產品結構形式簡單,使用方便。適用于計價秤,計數秤,天平秤等。
量程:3N(0.3kg)、5N(0.5kg)、10N(1kg)、20N(2kg)、30N(3kg)、50N(5kg)、100N(10kg)
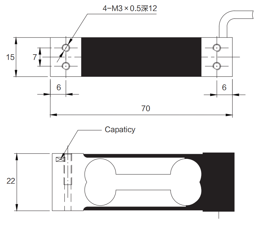
外形尺寸:

CH-P1A 技術參數 | |||
額定輸出 | 1.0mV/V±10%; | 輸入阻抗 | 410±15Ω |
非線性 | ±0.02%F.S | 輸出阻抗 | 350±5Ω |
滯后性 | <±0.02%F.S | 絕緣電阻 | ≥5000MΩ |
重復性 | <±0.02%F.S | 允許激勵電壓 | 5~15V/DC |
蠕變 | <±0.02%F.S/30min | 補償溫度范圍 | -10℃~+40℃ |
零點溫度影響 | <±0.02%/10℃ | 工作溫度范圍 | -20℃~+60℃ |
輸出溫度影響 | <±0.03%/10℃ | 安全過載 | 150%F.S |
零點平衡 | <±1%F.S | 極限過載 | 200%F.S |
接線方式 | 激勵:+紅 -黑 信號:+綠 -白 屏蔽:黃 | ||
