TQ-B3波紋管式稱重傳感器
編號:10276
查看:
發布:2020-07-30
TQ-B3波紋管式稱重傳感器具有較高的性能和穩定性,抗過載、偏載能力強;采用不銹鋼、合金鋼波紋管焊接密封,可承受拉壓兩種受力型式 TQ-B3波紋管式稱重傳感器適用于各類包裝秤、配料秤、皮帶秤等稱重系統。
編號:10276
查看:
發布:2020-07-30
TQ-B3波紋管式稱重傳感器具有較高的性能和穩定性,抗過載、偏載能力強;采用不銹鋼、合金鋼波紋管焊接密封,可承受拉壓兩種受力型式 TQ-B3波紋管式稱重傳感器適用于各類包裝秤、配料秤、皮帶秤等稱重系統。
產品名稱:TQ-B3波紋管式稱重傳感器
產品特點:TQ-B3波紋管式稱重傳感器具有較高的性能和穩定性,抗過載、偏載能力強;采用不銹鋼、合金鋼波紋管焊接密封,可承受拉壓兩種受力型式
產品用途:TQ-B3波紋管式稱重傳感器適用于各類包裝秤、配料秤、皮帶秤等稱重系統。
量程:100 N(10kg)、200 N(20kg)、300 N(30kg)、500 N(50kg)、1 kN(100kg)、2 kN(200kg)、3 kN(300kg)、5 kN(500kg)、10kN(1t)
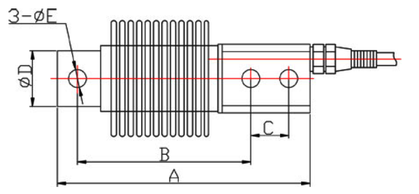
技術參數及外形尺寸:
序號 產品技術參數 1 額定載荷 10kg-1t 2 綜合精度 C3 3 靈敏度 2.0±0.002%mV/V 4 非線性(含滯后) ±0.02%F.S 5 重復性 ±0.02%F.S 6 蠕變(30分鐘) ±0.02%F.S 7 溫度對零點影響 ±0.02%F.S/10℃ 8 溫度對靈敏度影響 ±0.02%F.S/10℃ 9 零點平衡 ±1%F.S 10 輸入阻抗 400±10Ω 11 輸出阻抗 350±2Ω 12 絕緣阻抗 ≥5000MΩ 13 補償溫度范圍 -20~60℃ 14 適用溫度范圍 -30~70℃ 15 安全過載 150%F.S 16 極限載荷 200%F.S 17 材質 合金鋼 18 激勵電壓 10V(DC) 19 密封等級 IP67 20 接線方式 紅……Exc+(輸入正) 黑……Exc-(輸入負) 綠……Sig+(輸出正) 白……Sig-(輸出負)
型號 量程(kN) 量程(kg) A B C D E TQ-B3 0.1-5 10-500 123 82 18 26 8.5 7-10 700-1000 210 133 40 36 13
圖片與實物略有差異,以實物為準 / 濟南泰欽保留隨時更改、撤消產品型號、規格的權利,恕不另行通知