TQ-A4柱式S型拉壓稱重傳感器
編號:10119
查看:
發布:2021-08-10
TQ-A4柱式S型拉壓傳感器結構簡單,可靠性高,互換性好。 TQ-A4柱式S型拉壓傳感器適用于各種配料秤、料斗秤,吊鉤秤等。
編號:10119
查看:
發布:2021-08-10
TQ-A4柱式S型拉壓傳感器結構簡單,可靠性高,互換性好。 TQ-A4柱式S型拉壓傳感器適用于各種配料秤、料斗秤,吊鉤秤等。
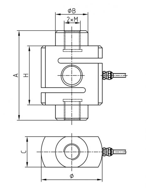
技術參數及外形尺寸:
序號 | 產品技術參數 | |
1 | 額定載荷 | 0.1-20t |
2 | 綜合精度 | ≤0.05%F.S |
3 | 靈敏度 | 2.0mV/V |
4 | 輸入阻抗 | 380±10Ω |
5 | 輸出阻抗 | 350±3Ω |
6 | 絕緣阻抗 | ≥5000MΩ |
7 | 適用溫度范圍 | -20~65℃ |
8 | 安全過載 | 120%F.S |
9 | 材質 | 合金鋼 |
10 | 激勵電壓 | 10V(DC/AC) |
11 | 接線方式 | 紅……E+(電源正) 黑……E-(電源負) 綠……S+(信號正) 白……S-(信號負) |

型號 | 量程(kN) | 量程(t) | A | B | ΦB | Φ | M | C |
TQ-A4 | 1-5 | 0.1-0.5 | 88 | 58 | 28 | 44 | M16×1.5 | 26 |
7 | 0.7 | 88 | 58 | 32 | 44 | M16×1.5 | 30 | |
10-50 | 1-5 | 120 | 68 | 51 | 63 | M22×2.5 | 48 | |
70-150 | 7-15 | 138 | 94 | 60 | 76 | M30×3.5 | 56 | |
200 | 20 | 156 | 108 | 68.5 | 88 | M36×3 | 76 |
圖片與實物略有差異,以實物為準 / 濟南泰欽保留隨時更改、撤消產品型號、規格的權利,恕不另行通知